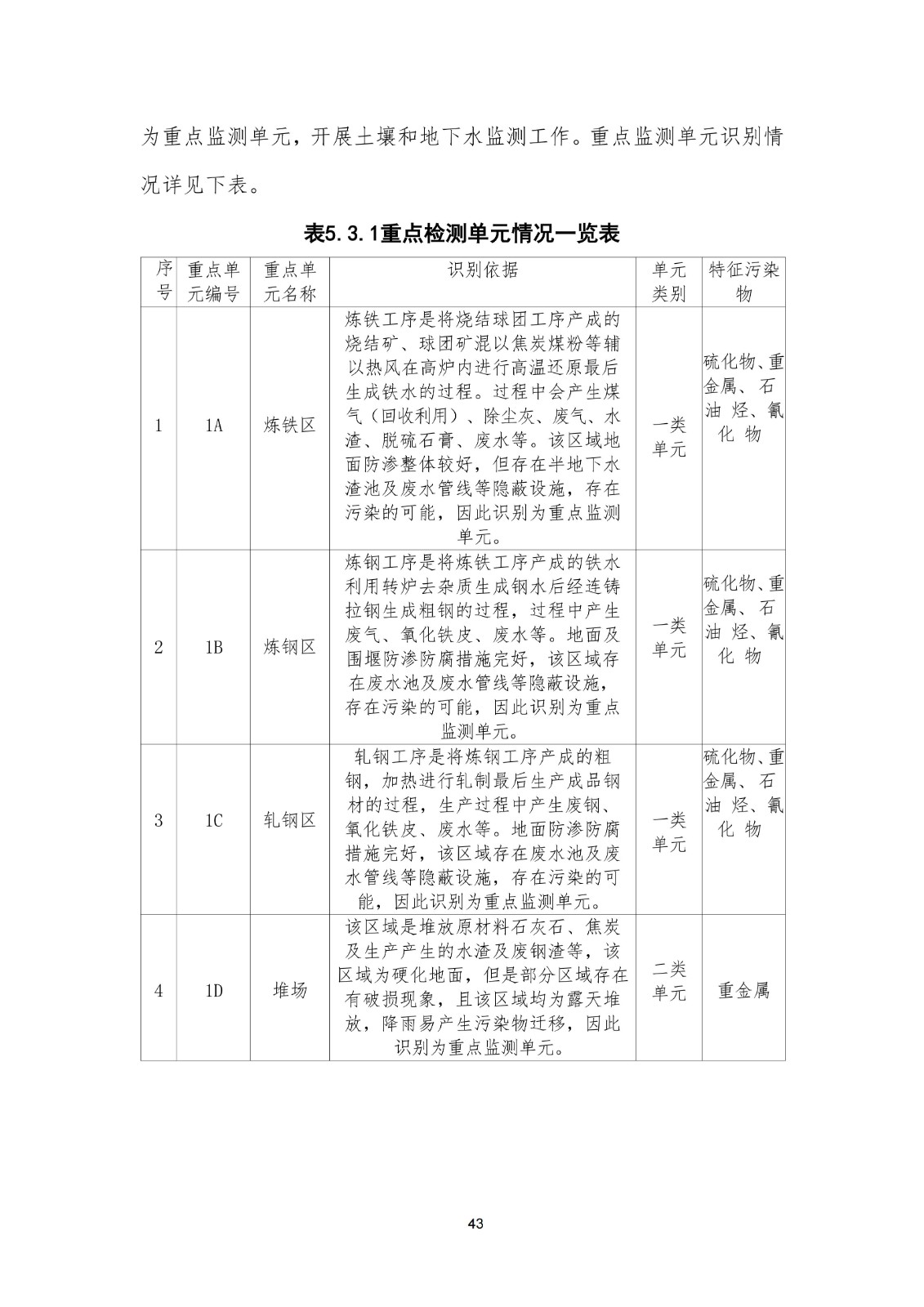
2025年吉林金钢土壤和地下水自行监测方案
2025-12-02


联系我们

吉林金钢钢铁股份有限公司

地址:吉林省四平市铁西区红嘴路18号


联系电话:0434- 6060700

服务热线:0434- 6060700

Copyright © 2019 JILIN JINGANG IRON AND STEEL CO., LTD.
吉林金钢钢铁股份有限公司 吉ICP备19003901号